济南思明特科技有限公司
 
网站首页         关于公司        产品展示         产品应用         售后服务         公司新闻        技术资料        人才招聘        联系我们
崇尚品质 优化服务
产品分类
气体增压系统 脉冲试验机
液体增压系统 爆破试验机
思明特气体增压泵 油压、水压试验机
思明特液体增压泵 气密性试验机
思明特空气增压泵 增压泵
空气泵SUP_Y系列 思明特气体泵
空气泵SUP_W系列 思明特液体泵
产品分类
气体增压系统 气体增压系统
气体动力单元 气体动力单元
气动增压台 气动增压台
天然气汽车改装检测设备 天然气改装检测设备
高压气密性检测设备 高压气密性检测设备
隔爆灯气密试验机 隔爆灯气密试验机
液体增压系统 液体增压系统
油(气)井试压设备 油(气)井试压设备
中冷器、散热器爆破台 中冷器、散热器爆破台
管件爆破试验台 管件爆破试验台
管件爆破试验台 塑料管耐压爆破试验机
脉冲试验台 脉冲试验台
便携式压力台 小型水压试验机
静压爆破试验台 静压爆破试验台
海底水压试验装置 深海水压模拟实验装置
高压胶管(钢管)爆破试验 高压胶管(钢管)爆破试验
防爆外壳水压试验机 防爆外壳水压试验机
防爆外壳水压试验机 外壳、管件、容器水压机
气瓶外测法水压试验机 气瓶外测法水压试验机
消防检测 消防检测试验机
消防检测 二氧化碳爆破机
天然气气瓶检测 天然气气瓶检测线
气瓶检测线 气瓶检测线配置清单
思明特气体增压泵 思明特气体泵
气体泵SUP_B系列 气体泵SUP_B系列
气体泵SUP_H系列 气体泵SUP_H系列
思明特液体增压泵 思明特液体泵
液体泵SUP_G系列 液体泵SUP_G系列
液体泵SUP_M系列 液体泵SUP_M系列
思明特空气增压泵 思明特空气泵
空气泵SUP_Y系列 空气泵SUP_Y系列
空气泵SUP_W系列 空气泵SUP_W系列
数据采集软件 数据采集软件
数据采集软件 超高压电磁阀
 
 
产品展示

您所在的位置:首页>技术资料>主动悬架液压泵保压性能试验方法

 

主动悬架液压泵保压性能试验方法

1 测试条件
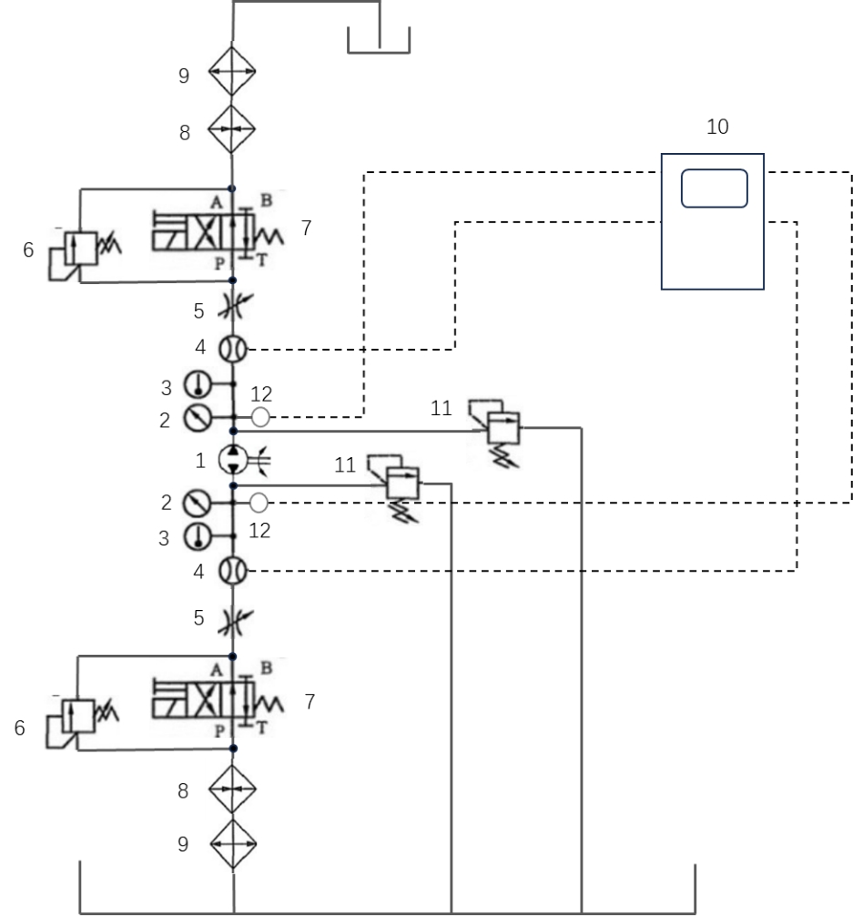
1)被试液压泵按图1的试验回路原理图进行保压性能测试,试验回路原理图中的图形符号符合GB/T 786.1的规定。
2)被试液压泵为双向泵,可选择任一进出油方向进行测试。
3)液压泵电机转速无法被测,其波动范围默认为电机控制器的控制精度。
4)被试液压泵的最高工作压力18.5MPa。
2 测试步聚
1) 确定被试泵进、出油方向,将进油侧的节流阀打开,方向控制阀切换到P口和A口相通的位置。出油侧节流阀打开,方向控制阀切换到P口关闭的位置。
2)加载阀设定为4.5MPa,缓慢起动液压泵电机至加载阀阀口有输出流量,同时起动进油侧加热器将进油加热至40℃±1℃,持续运行至系统稳定后关闭加载阀使阀口无输出流量,随后停止液压泵电机。按7.4.3的要求连续记录各测量值至少10S。
3) 按第(2)步骤重复试验,分别将加载阀设定为8.5MPa,10.5MPa,16.5MPa。
4)重复第(2)~(3)步骤,分别将进油加热至80℃±1℃、110℃±1℃。
3 测试记录
在加载阀阀口关闭时就开始记录,且应至少连续记录下列参数:

  1. 进油油温
  2. 出油油温
  3. 出油流量
  4. 进油压力

⑤ 出油压力
4 测试报告
测试报告应包含下列内容:

  1. 试验的时间和地点;
  2. 试验员和/或试验责任工程师的姓名;

③被试液压泵的描述,包括液压泵的图片及泵体上的型号或系列号等唯一码,如无唯一码,则需要用“#1”字样替代(如有多台被试液压泵,则按#2,#3…等顺序编码),并在被试液压泵壳体上醒目位置标注对应编码;

  1. 试验区域的环境温度;
  2. 试验装置测量元件的品牌、型号及测量精度;
  3. 7.4.3所记录的测量值,测量值的单位按表1规定;
  4. 绘制不同温度下输出压力相对于时间的变化曲线;
  5. 绘制不同温度下输出流量相对于时间的变化曲线。

 

图1 特性试验回路原理图

相关技术资料 相关产品

水泵性能测试系统的软件使用

水泵开式试验台的主要功能

水泵接合器水压强度试验方法

隔膜泵爆破试验机

抽油泵试压检测装置

变压器油泵性能试验机

 

 

上一条 下一条
主动悬架液压泵液压脉动试验方法

 

 

网站首页         关于公司       产品展示         产品列表         售后服务         公司新闻        技术资料        人才招聘        联系我们          

地址:济南市工业北路5577号中电建能源谷3-B-2 邮编 :250101 电话:0531-67809989 / 88885633 传真:0531-88885633 联系人:陈祥锋 手机:(0)13969191541 版权所有:济南思明特科技有限公司 技术支持:晨风科技 鲁ICP备11004523-1号

产品展示:压力容器试压机 静压试验系统 井下工具试压台 高压胶管试压台 灭火器爆破试验机 高温脉冲试验台 制冷效率试验台超高压容器 安全阀试验台 气瓶疲劳试验机 井控设备试压机 太阳能脉冲试验机紧急切断阀校验装置 净水流量试验机 二氧化碳灭火器爆破试验机 爆破、静压试验机 电脑控制高压胶管静压爆破测试台