气制动系统用尼龙管脉冲疲劳试验方法
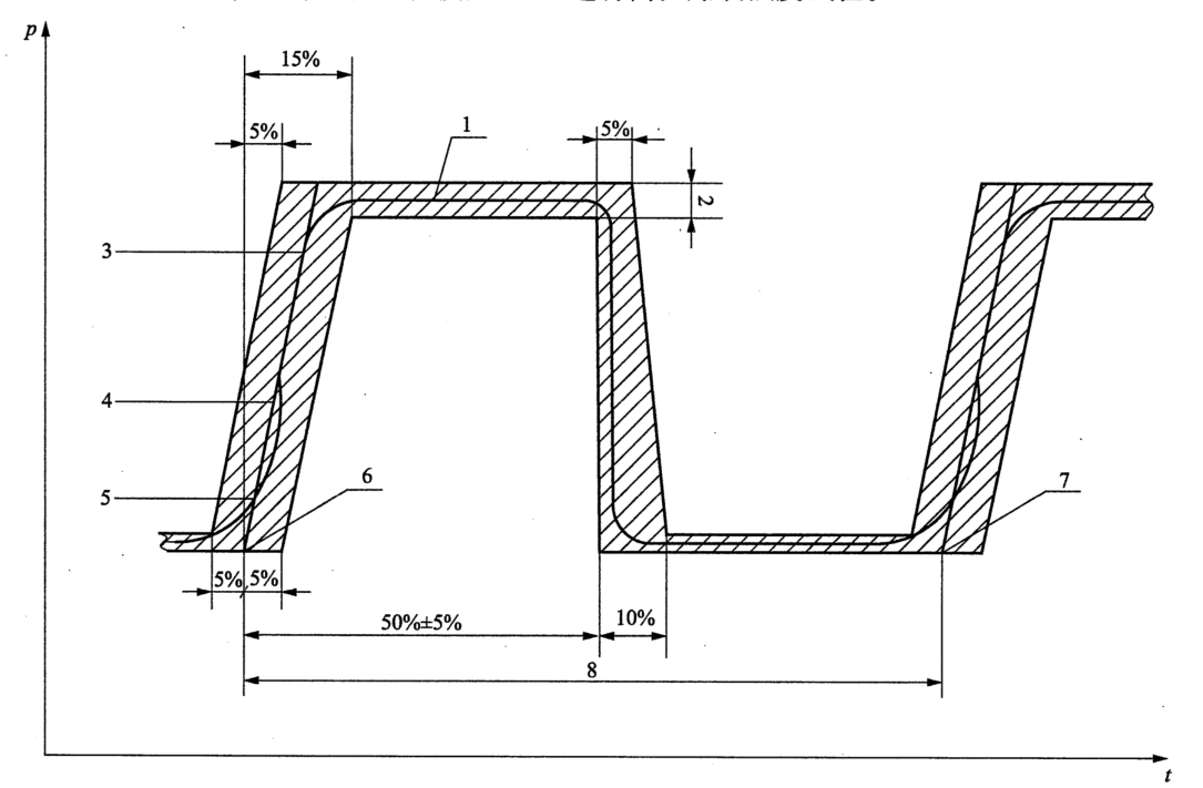
将试样按照图3进行弯曲并连接到脉冲试验机上。开启脉冲试验机,排出管内空气,将管内充满惰性液体介质,然后调节脉冲频率为0.5Hz~1Hz和试验压力范围为0.2MPa至最大工作压力的133%。在温度为100℃±2℃的环境条件下进行脉冲试验,脉冲压力循环如图4所示。重复40万次循环,试验期间允许管子自由移动(自然晃动)。脉冲疲劳试验后,其中3根试样按照规定行室温爆裂强度试验,另外3根试验按照规定进行高温爆裂强度试验。


标引序号说明:
1——试验压力;
2——
试验压力的±5%;
3——试验压力的85%;
4——
压力上升的切线;
5——
试验压力的15%;
6——0点;
7——0点;
8——1次冲击循环。

|